Explosion-proof Encoder

EXDE100H Series

  • EXDE100H Series
  • Sensing method Optical
  • Explosion proof mark:Ex d II C T5/T6 Gb Ex tD A21 IP66 T95°C/T80°C
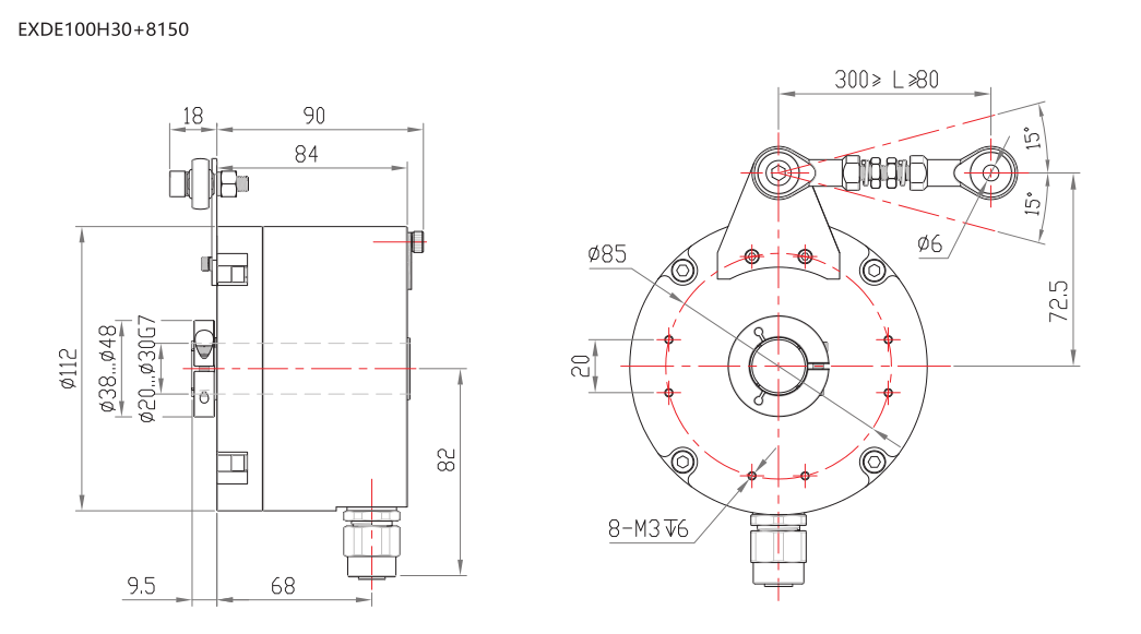
  • Housing size Φ112-122mm
  • Hollow shaft Φ16、17、20、30、45mm
  • Max. resolution 3000PPR
  • Supply voltage 5-30VDC
  • Protection IP66

Technical parameter

Technical – Machine characteristics

Shaft diameterHollow shaft Φ6、Φ8、Φ10mm

ProtectionDIN EN 60529 IP66

Speed3000r/min

Shaft loadingMax. 200N Axial;max.100N Radial

Shock resistance≤100g 6ms DIN EN 60068-2-27

Vibration resistance10g 10…2000HZ DIN EN 60068-2-6

Starting torque<0.1Nm

MaterialsAnodic oxidation of aluminum alloy
Stainless steel
Anodic oxidation of aluminum alloy

Working temperature-40℃…+85℃

Storage temperature-40℃…+85℃

WeightApprox. 2.3Kg(2m cable)

Technical – Electrical characteristics

Output circuitRS422/TTL
Push-Pull/HTL
NPN Open Collector

Pulse rateMax.3000P/R

Supply voltage5-30V

Power consumption(no load)Max. 125 mA

Permissible load/channelMax. ±80 mA

Pulse frequencyMax. 100KHz

Signal level highMin. Ub-2.5V

Signal level lowMax. 0.8V

Rise time TrMax. 1μs

Fall time TfMax. 1μs

Short circuit proof outputsYes

Ordering information

Ordering example:EXDE100H20E1024A5-30R2

Terminal assignment

Dimensions

Download

File name文件类型File thumbnailFile sizeDownload link
EXDE100H Series Explosion-proof Encoder0.00 M

Accessories