Incremental Encoder

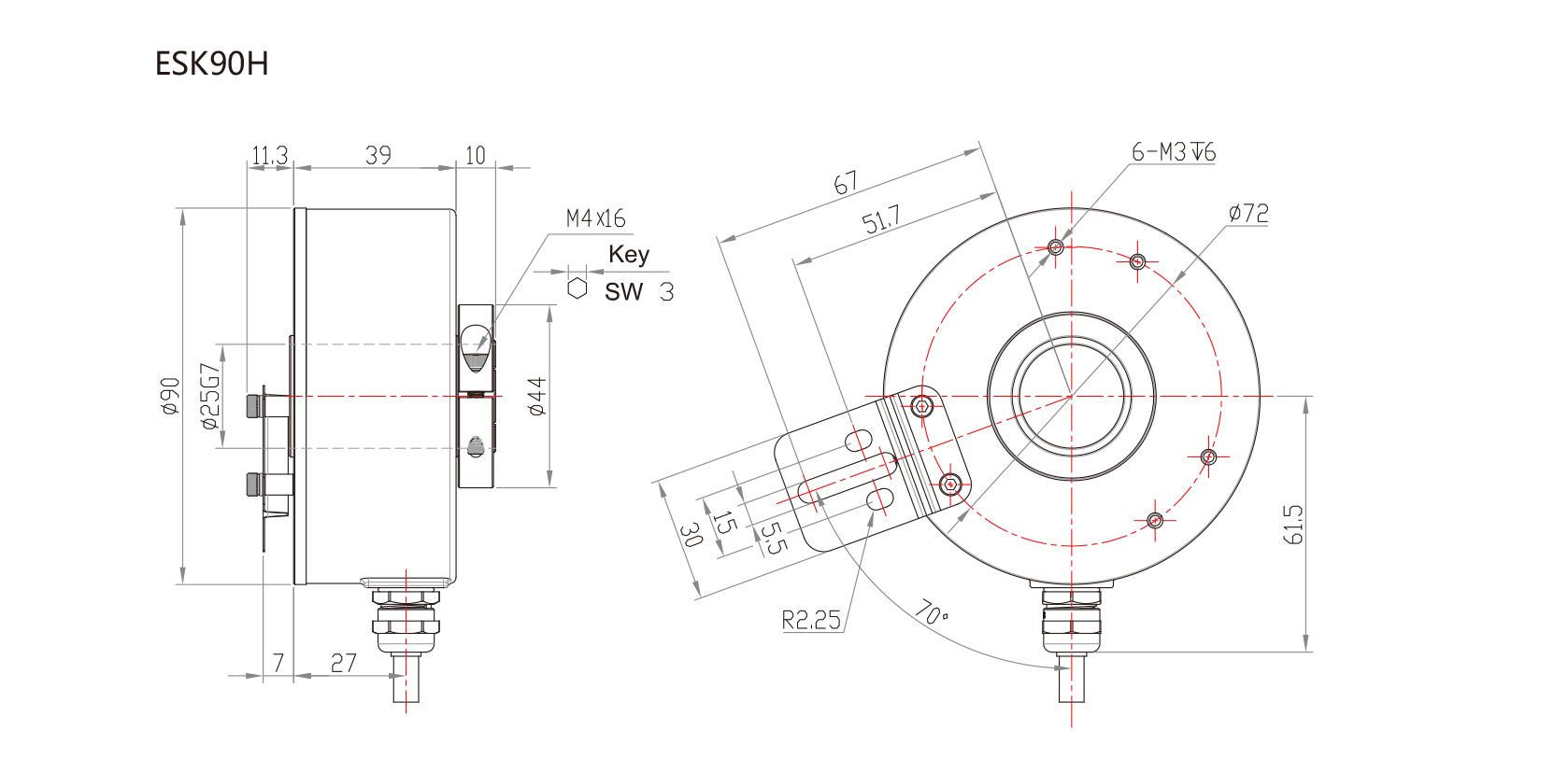
ESK90H

  • ESK90H Series
  • Sensing method Optical
  • Housing size   Φ90 mm
  • Hollow shaft diameter   Φ25mm
  • Max. resolution   2500 PPR
  • Supply voltage   5-30VDC
  • Protection  IP65

Technical parameter

Technical – Machine characteristics

Shaft diameter Hollow shaft Φ20、Φ25、Φ30mm

Sensing methodOptical

Max. resolution≤ 2500PPR

Supply voltage 5VDC,5-30VDC,9-26VDC

ProtectionIP65

Speed3000RPM

Shaft loadingMax.40N Axial ; Max. 80N Radial

Shock resistance100g,6ms

Vibration resistance10g,10...2000HZ

Starting torque<0.1Nm

MaterialsHollow shaft:Stainless steel
Housing:Aluminum alloy

Working temperature-40℃…+85℃

Storage temperature-40℃…+85℃

Weight≈580g

Technical – Electrical characteristics

Output circuit Push-Pull
Push-Pull Differential
Voltage
Open Collector
RS422(TTL Compatible)

Pulse rateMax. 2500 P/R

Supply voltage 5-30V

Power consumption(no load)Max. 125 mA

Permissible load/channel Max. ±80 mA

Pulse frequency Max. 100 KHz

Signal level high Min. Ub-2.5V

Signal level low Max. 0.8V

Rise time Tr Max. 1μs

Fall time TfMax. 1μs

Short circuit proof outputs Yes

Ordering information

Ordering example:

Terminal assignment

Dimensions

Download

File name文件类型File thumbnailFile sizeDownload link
ESK90H Series Incremental Encoderpdf4.02 M

Accessories