远程光电系统

PHA50系列

  • PHA50远程光电系统
  • 远程传感器 PH10、PH11、PH12、PH15、PH20系列
  • 光电放大器 PHA50R系列
  • 检测距离:15m
  • 红外光,940nm
  • 供电电压:20-30VAC/DC
  • 输出, 继电器SPST
  • LED指示输出状态和电源ON
  • 传感器尺寸Φ10、M12、Φ15、30 x 20 x 10.8 mm
  • 1 组or 2 组通道可选

技术参数

技术数据—一般规格

检测距离15m max.

光源红外光,940nm

环境照度 >10Klux

放大器外壳尺寸 81x50x31mm

输入电压 20-30V AC/DC

空载电流50mA

满载电流70-90mA

工作温度-20°C ~+60°C

工作湿度10-90%RH

输出方式 继电器SPST 1A@120VAC or 1A@24VDC

工作频率≤100HZ

连接螺丝接线端子(max.2.5mm²)

通道PHA50R 1组传感器或2组传感器(通过拨动开关选择)
PHA50RO 1组传感器

LED指示电源ON LED 绿灯亮
光束未被打断 LED 黄灯亮

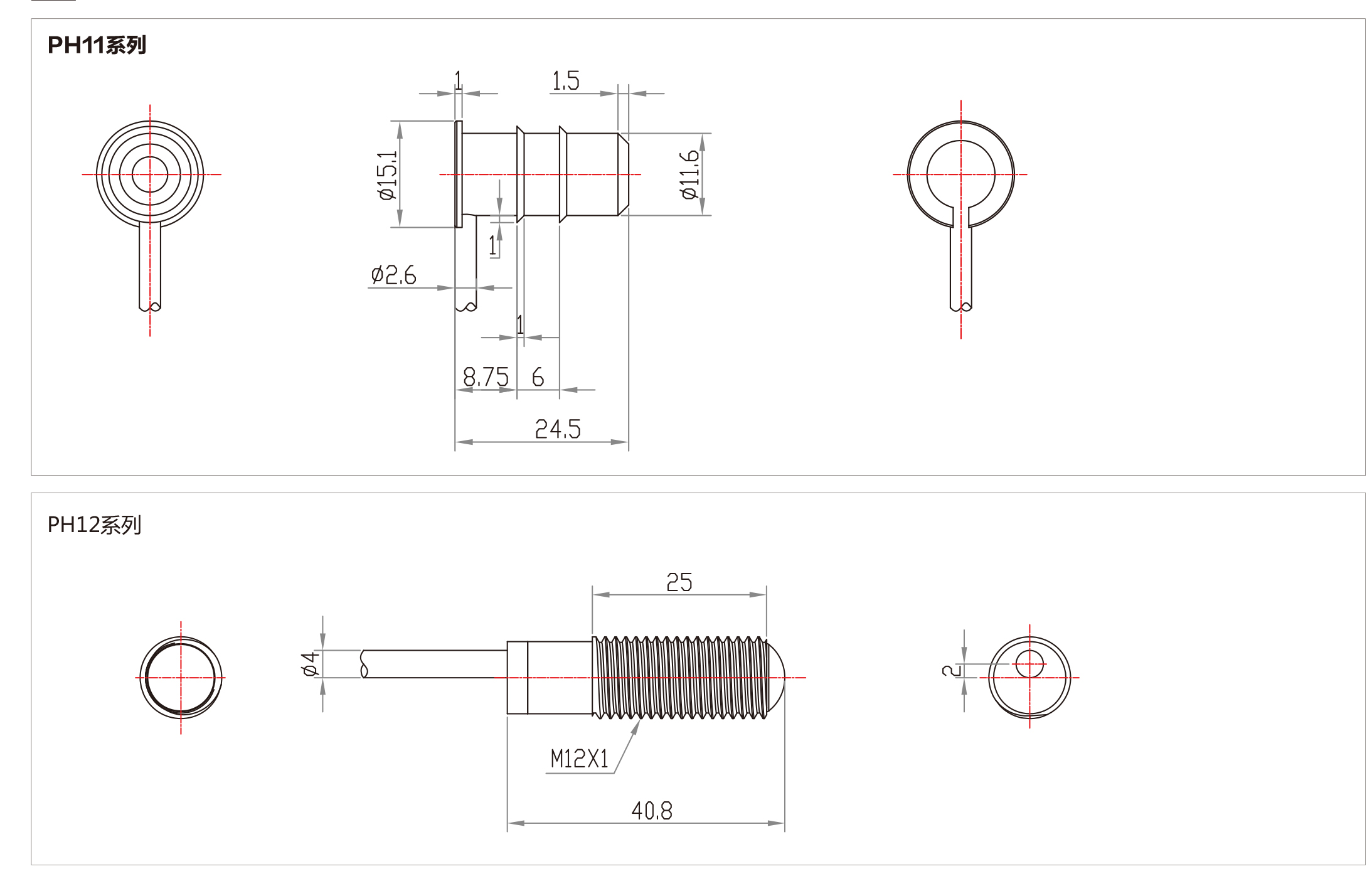
发射角度PH10/PH12 ±8°/10%
PH11/PH15 ±5°/10%
PH20 ±2°/10%

防护等级放大器PHA50R IP20
传感器PHXX IP67

保护电源反接保护,输出短路保护

PHA50R外壳材料ABS,黑色

PH10T15 and PH10R15外壳材料聚合物(PC),黑色

PH11T15 and PH11R15外壳材料聚合物(PC),黑色

PH12T15 and PH12R15外壳材料Cu/聚合物(PC),黑色

PH15T15 and PH15R15外壳材料聚合物(PC),黑色

PH20T15 and PH20R15外壳材料PC+ABS,蓝色

PH10R,PH12R-Cable线 PVC,灰色,Φ4mm,5m/10m/15m/150mm+2针JST/M8插头

PH10T,PH12T-Cable线 PVC,黑色,Φ4mm,5m/10m/15m/150mm+2针JST/M8插头

PH11R,PH15R-Cable线 PVC,灰色,Φ2.6mm,5m/10m/15m/150mm+2针JST/M8插头

PH11T,PH15T-Cable线 PVC,黑色,Φ2.6mm,5m/10m/15m/150mm+2针JST/M8插头

PH20R-Cable线 PVC,灰色,Φ3.3mm,5m/10m/15m/150mm+2针JST/M8插头

PH20T-Cable线 PVC,黑色,Φ3.3mm,5m/10m/15m/150mm+2针JST/M8插头

重量PHA50R<80G
PH10/ PH11/PH15/PH20<75G (5m线)
PH12<80G (5m线)

订货信息

订购范例:PH11T15A5

端子配置

机械图

下 载

文件名称文件类型文件缩略图文件大小下载链接
数 据 表 - PHA50【CN】pdf0.45 M

附 件