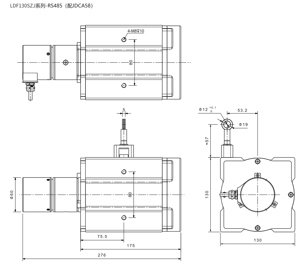
- LDF130SZJ系列
- 拉线编码器
- 外形尺寸 130x130mm
- 测量范围 0~15000mm
- 传感器功能原理 绝对值编码器
- 分辨率 0.0813mm
- 线性精度 ±0.05%FS
- 通讯接口:RS485
 
															测量范围0~10000mm
集成编码器绝对值编码器JDCA58系列
分辨率0.0813mm
线性精度±0.05%FS
通讯接口RS485
外形尺寸130*130mm
拉线绳材料高柔性钢丝绳
拉线绳直径Φ1.2mm
拉线盒外壳材料铝合金
出口拉力15±5N
拉线绳每圈长度333mm
拉线编码器分辨率拉线绳每圈长度/编码器每圈分辨率
拉线速度1000mm/s(Max)
抗震动10g,10…1500HZ
工作温度-30℃...+70℃
集成编码器绝对值编码器JDCA58系列
拉线盒LDF130-15000
编码器防护等级IP65(标准)/IP67
连接类型电缆长度 2米(可选)
重量≈4.8KG
通讯接口RS485
通讯模式主动发送模式
波特率19200
刷新周期8ms
输出码制二进制
计数方向可设置
置位设置可设置