绝对值编码器

JDCM3603S系列-CANopen

  • 感应原理 磁性
  • 功能原理 多圈
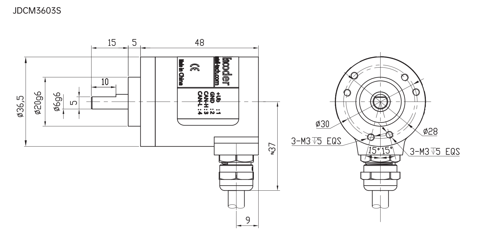
  • 外径 Φ36.5mm
  • 轴径 实心轴 Φ6m
  • 分辨率 28Bit
  • 每圈步数 65536/16Bit
  • 圈数 4096/12Bit
  • 接口 CANopen
  • 工作电压 10-30VDC
  • 防护等级 IP67
  • 连接 插头,M12,5针,A编码;直接出线

技术参数

技术数据 –机械参数

轴径(mm)实心轴 Φ6mm

防护等级IP67

每分钟最大转速3000rpm

最大轴负荷轴向≤20N; 径向≤40N

冲击100g,6ms

振动10g,10...2000Hz

主体材料铝合金

外壳材料铝合金

工作温度-40℃...+85℃

存储温度-40℃...+85℃

重 量≈120g(不包含电缆线)

出线方式径向出线

技术数据 –电气参数

接口类型CANopen

传输速率最大1Mbit/s

输出码制二进制

工作电压10-30VDC

空载电流<60mA

波特率可编程设置,默认125kbit/s

从站地址可编程设置,默认节点ID为20H

计数方向可编程设置,默认从编码器轴端方向看,顺时针旋转累加计数

抗 干 扰EN61000-6-2

抗 干 扰EN61000-6-4

接口电路保护浪涌保护 、反极性保护 、ESD 保护

订货信息

订购范例:JDCM3603S6B1213S90T10-30R2

端子配置

机械图

下 载

文件名称文件类型文件缩略图文件大小下载链接
JDCM3603S-CANopen-数据表pdf0.44 M
TÜV CE认证-AE 50594504 0001pdf1.17 M

附 件