绝对值编码器

JCCM38B系列-CANopen

  • 感应原理 磁性
  • 功能原理 多圈
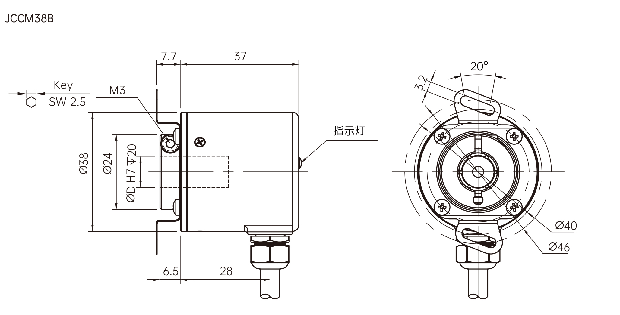
  • 外径 Φ38mm
  • 轴径 盲孔轴 Ø6、Ø8、Ø10mm
  • 每圈步数 65536/16Bit
  • 圈数 23圈;506圈
  • 接口 CANopen
  • 工作电压 10-30VDC
  • 防护等级 IP67
  • 连接 0.2m电缆线+ 插头, M12, 5针, A编码;直接出线

技术参数

技术数据 –机械参数

轴径(mm)盲孔轴 Ø6、Ø8、Ø10mm

主体材料铝合金

主轴材料不锈钢

外壳材料

轴向负载≤40N

径向负载≤80N

旋转速度最大3000rpm

抗冲击性100g , 11ms / 500g , 1ms

抗振动性30g , 10~2000HZ

防护等级IP67

工作温度-40℃...+85℃

存储温度-40℃...+85℃

重 量≈125g(不包含电缆线)

出线方式切向电缆出线

连接0.2m电缆线+ 插头, M12, 5针, A编码
直接出线

技术数据 –电气参数

接口类型CANopen

传输速率最大1Mbit/s

输出码制二进制

绝对精度≤0.36°

工作电压10-30VDC

空载电流≤100mA

波特率可编程设置,默认125kbit/s

从站地址可编程设定,默认节点ID为20H

计数方向可编程设置,默认从编码器轴端方向看,顺时针旋转累加计数

抗 干 扰EN61000-6-2

发射干扰EN61000-6-4

电路保护浪涌保护 、反极性保护 、ESD 保护

订货信息

订购范例:JCCM38B10BD14S90T10-30R2

端子配置

机械图

下 载

文件名称文件类型文件缩略图文件大小下载链接
数 据 表-JCCM38B CANopen【CN】pdf3.00 M
TÜV CE 认证-AE 50684573 0001pdf1.62 M

附 件