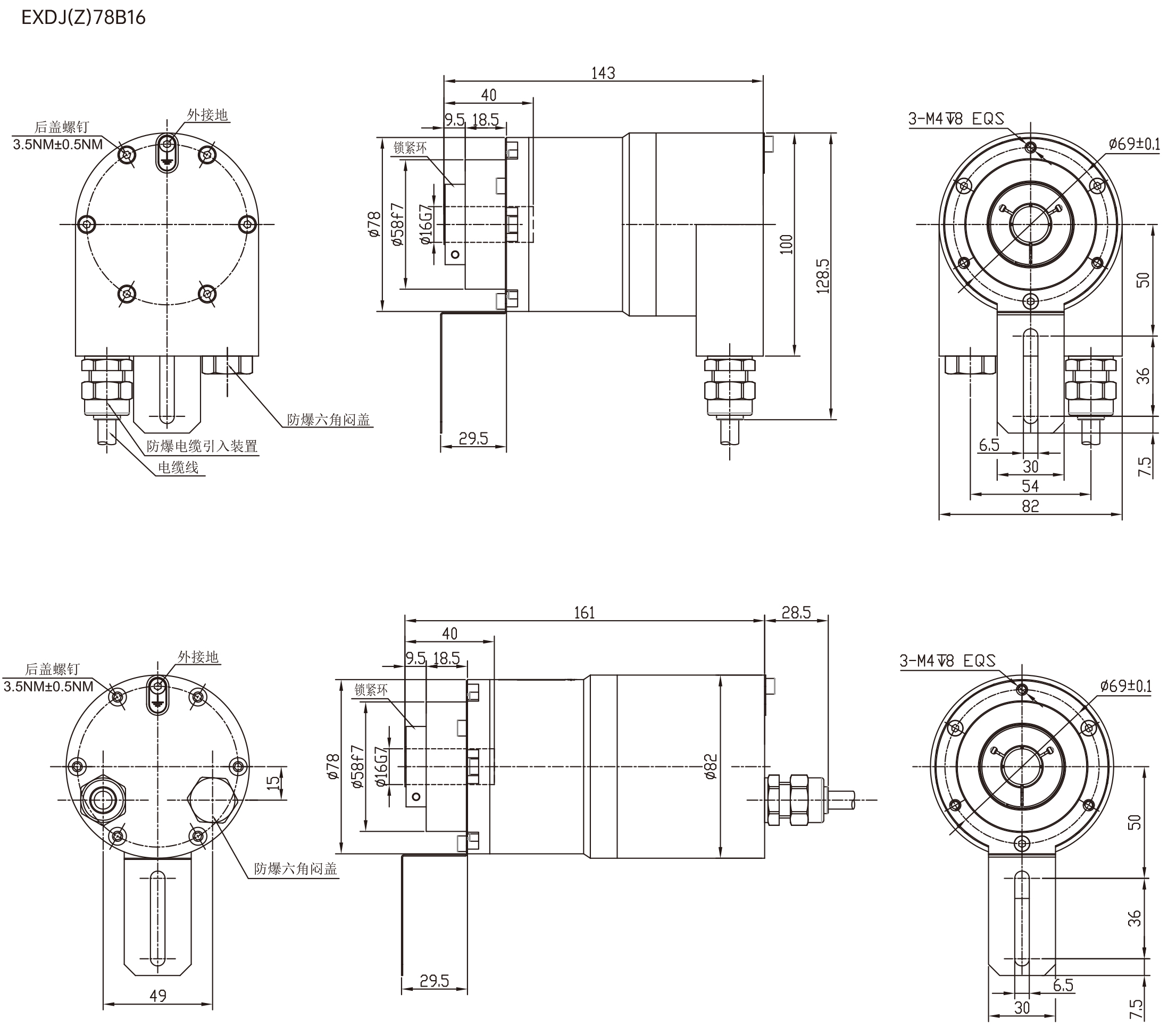
- 防爆绝对值编码器
- 设备类型 Ⅱ类(气体)、Ⅲ类(粉尘)
- 防爆形式 隔爆型
- NEPSI防爆标志:Ex db IIC T5/T6 Gb,Ex tb IIIC T95℃/T80℃ Db
- ATEX防爆标志:Ex II 2GD Ex db IIC T5/T6 Gb, Ex tb IIIC T95°C/T80°C Db
- IECEx防爆标志:Ex db IIC T5/T6 Gb, Ex tb IIIC T95 °C/T80°C Db
- 适用危险区域 1区(气体) / 21区(粉尘)
- 感应原理 磁性
- 功能原理 多圈
- 多圈技术 机械齿轮组无电池
- 外径 Φ78mm
- 轴径 盲孔轴 Φ12、 Φ14 、Φ16、 Φ25.4mm
- 每圈步数 65536 /16Bit
- 圈数 16384 /14Bit
- 接口 PROFINET
- 工作电压 10-30VDC
- 防护等级 IP66
- 认证 NEPSI、CCC EX、ATEX、IECEX












