增量式重载编码器+超速开关组合

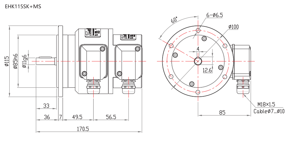
EHK115SK+MS系列

  • EHK115SK+MS
  • 感应原理 光电+机械离心式
  • 外径 Φ115mm
  • 轴径 Φ11mm
  • 最大脉冲 2048PPR
  • 超速值 720-3600rpm
  • 工作电压 5V,9-30V
  • 防护等级 IP66

技术参数

技术数据-机械参数

轴径(mm)Φ11mm

防护等级IP66

最大转速6000rpm

最大轴负荷轴向负载≤100N;径向负载≤300N

冲击100g,6ms

振动10g,10…2000Hz

转动惯量220gcm²

启动力矩3N.cm

主体材料铝合金

主轴材料不锈钢

外壳材料铝合金

工作温度-40℃…+85℃

贮存温度-40℃…+85℃

重 量≈ 1.9kg

技术数据-电气参数

输出电路推挽输出
推挽差分输出
RS422(TTL 兼容)

分度最大2048脉冲/转

电源(VDC)9-30V,5V

无负载时消耗电流最大 125 mA

最大负载电流最大±80 mA

最高输出频率100KHz

信号高电平最小 Ub-2.5V

信号低电平最大 0.8V

上升时间 Tr最大 1μs

下降时间 Tf最大 1μs

短接保护

技术数据-机械离心开关

防护等级IP66

超速值720~3600rpm

最大转速1.25ns

运动加速≤±20%

开关输出负载≤6A/230VAC
≤1A/125VDC

开关偏差≈3%

开关滞后≈40%

开关精度± 4% ( n=2rpm/s)
≤ 20% ( n=1500rpm/s)

订货信息

订购范例:EHK115SK11E1024A9-30RT+MS2300

端子配置

机械图

下载

文件名称文件类型文件缩略图文件大小下载链接
EHK115SK+MS系列重载编码器+超速开关组合pdf2.23 M

附件