拉线编码器

LTF81J系列-CANopen

  • LTF81J系列
  • 拉线编码器
  • 外形尺寸 80x80mm
  • 测量范围 0-4000mm
  • 传感器功能原理 绝对值编码器
  • 分辨率 0.0488mm
  • 线性精度 ±0.05%FS
  • 通讯接口:CANopen

技术参数

技术数据-基本参数

测量行程0~4000mm

集成编码器绝对值编码器JDCA58系列

分辨率0.0488mm

线性精度±0.05%FS

通讯接口CANopen

技术数据-技术参数

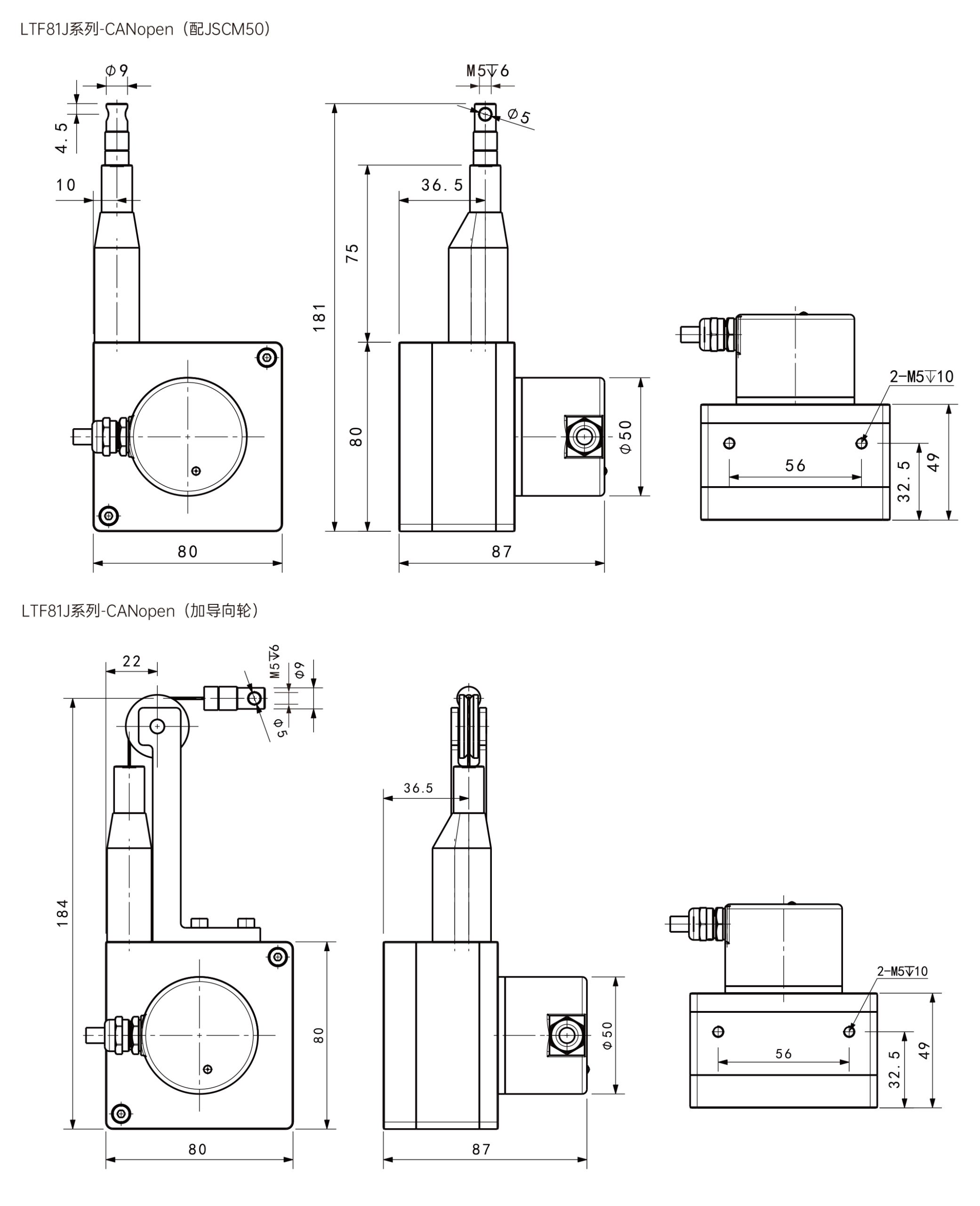
外形尺寸80x80mm

拉线绳材料涂塑钢丝绳

拉线绳直径Φ0.8mm

拉线盒外壳材料铝合金

出口拉力≤4N

拉线绳每圈长度200mm

拉线编码器分辨率拉线绳每圈长度/编码器每圈分辨率

拉线速度1000mm/s(Max)

抗震动10g,10...1500Hz

工作温度-20℃...+70℃

集成编码器绝对值编码器JDCA58系列

拉线盒LTF81-4000

编码器防护等级IP65(标准)/IP67

连接类型电缆长度 2米(可选)

重量≈750g

技术数据-电气参数

通讯接口CANopen

工作电压DC10...30V

空载消耗电流<50mA

传输速率最大1Mbit/s

输出码制二进制

从站地址可编程设置

计数方向可编程设置

抗 干 扰EN61000-6-2

发射干扰EN61000-6-4

接口电路保护浪涌保护、反极性保护 、ESD 保护

订货信息

订购范例: LTF81JB4000-0.0488S90T10-30R2/JDCA58

端子配置

机械图

下 载

文件名称文件类型文件缩略图文件大小下载链接
LTF81J系列-CANopenpdf5.82 M
FLTF81-JSCM50(3D)step1.23 M
FLTF81D-JSCM50(3D)step1.58 M
LTF81-JSCM50(3D)step1.19 M
LTF81D-JSCM50(3D)step1.32 M
LTF81-JDCA58(3D)step1.29 M
LTF81D-JDCA58(3D)step1.42 M
FLTF81-JDCA58(3D)step1.33 M
FLTF81D-JDCA58(3D)step1.42 M
TÜV CE认证-AE 50594504 0001pdf1.17 M

附 件