拉线编码器

LHF130系列-CANopen

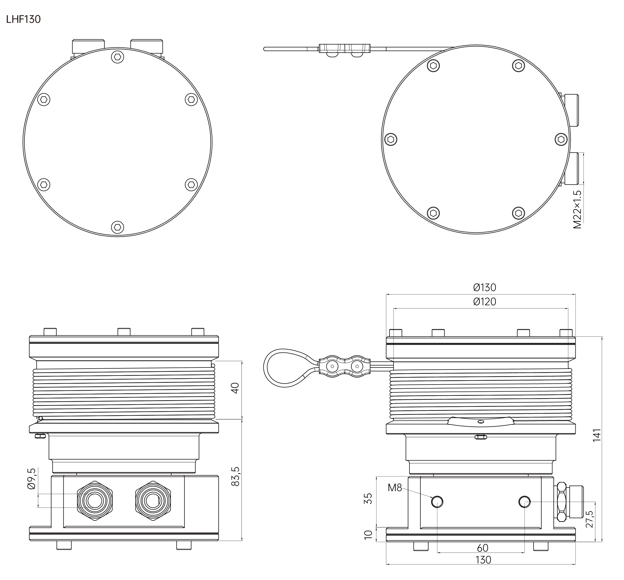
  • 外形尺寸 Φ130×141mm
  • 测量范围 0…4000mm
  • 传感器功能原理:绝对式编码器
  • 分辨率 0.0235mm
  • 线性精度 ±0.1%FS
  • 通讯接口 CANopen

技术参数

技术数据-基本参数

测量范围0...4000mm

集成编码器绝对值编码器

分辨率0.0235mm

线性精度±0.1%FS

通讯接口CANopen

技术数据-机械参数

外形尺寸Φ130×141mm

拉绳材料不锈钢

拉绳直径Φ2.5mm

拉线盒外壳材料铝合金

出口拉力25N

拉线编码器分辨率384.85mm

拉线速度≤10m/s

抗振动8g,20...2000Hz

工作温度-40℃...+85℃

集成编码器绝对值编码器

编码器防护等级IP66

连接类型接线端子

重量≈4000g

技术数据-电气参数

通讯接口CANopen

工作电压10...30VDC

消耗电流<50mA

传输速率最大1Mbit/s

输出码制二进制

从站地址可编程设置

120Ω终端电阻可编程设置;默认开启

速度值输出可选

抗干扰EN61000-6-2

发射干扰EN61000-6-4

接口电路保护浪涌保护 、反极性保护 、ESD保护

订货信息

订购范例:LHF130JB4000-0.0235S99T10-30R9505/XXXX

端子配置

机械图

下 载

文件名称文件类型文件缩略图文件大小下载链接
LHF130-CANopenpdf3.89 M
LHF130+9505(3D)step2.22 M

附 件