拉线编码器

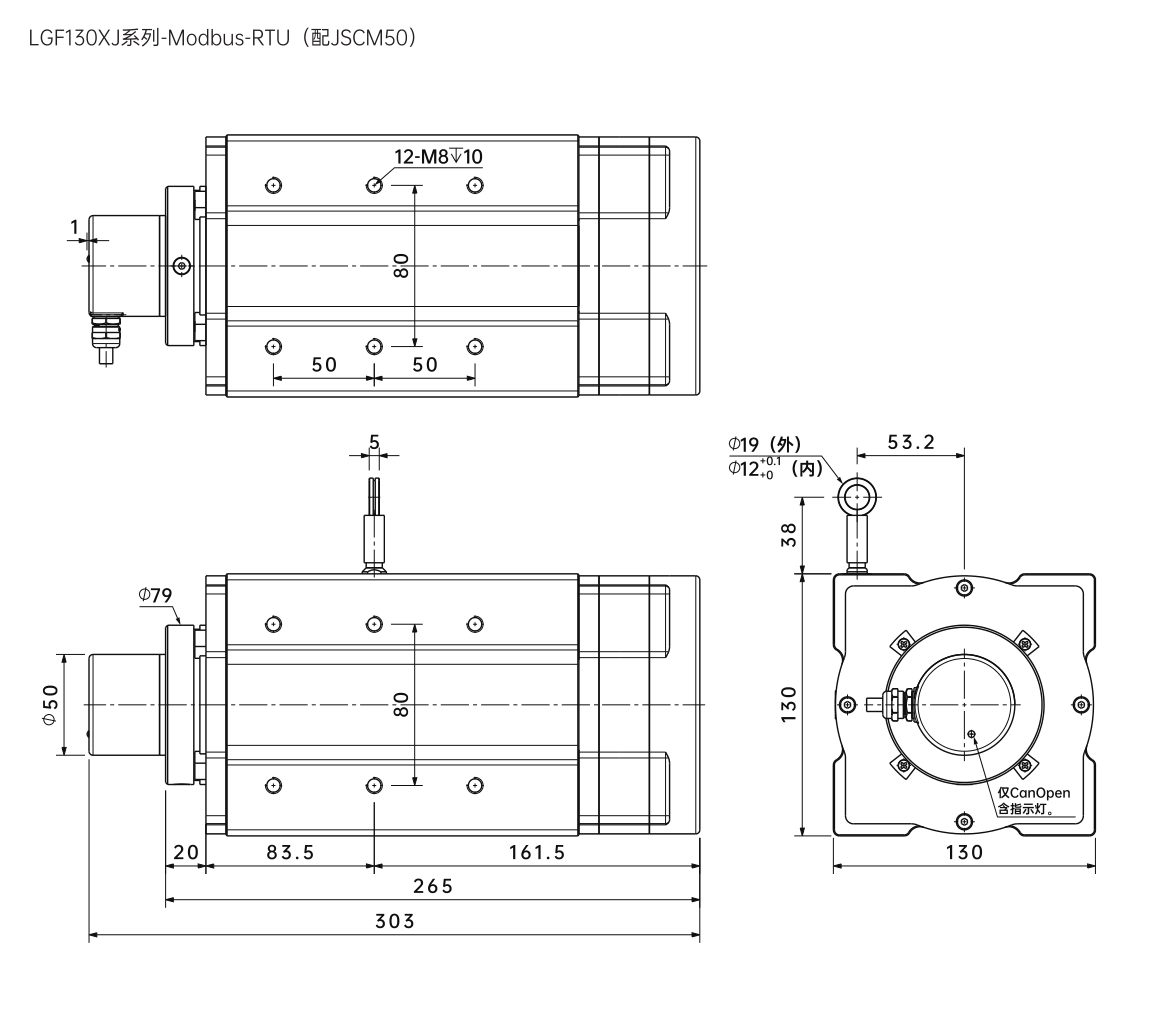
LGF130XJ系列-Modbus-RTU

  • 外形尺寸 130×130mm
  • 测量范围 0…20000mm
  • 传感器功能原理 绝对值编码器
  • 分辨率 0.08138mm/步
  • 线性精度 ±0.05%FS
  • 通讯接口 Modbus-RTU

技术参数

技术数据-基本参数

测量范围0...20000mm

集成编码器绝对值编码器JSCM50系列

分辨率0.08138mm

线性精度±0.05%FS

通讯接口Modbus-RTU

技术数据-技术参数

外形尺寸130*130mm

拉线绳材料高柔性钢丝绳

拉线绳直径Φ0.8mm

拉线盒外壳材料铝合金

出口拉力15±5N

拉线绳每圈长度333.33mm

拉线编码器分辨率拉线绳每圈长度/编码器每圈分辨率

拉线速度1000mm/s(Max)

抗震动10g,10…1500HZ

工作温度-30℃...+70℃

集成编码器绝对值编码器JSCM50系列

拉线盒LGF130X-20000

编码器防护等级JSCM50(IP66)

连接类型电缆长度 2米(可选)

重量≈7.15KG

技术数据-电气参数

通讯接口Modbus-RTU

传输速率4800、9600、19200、38400、115200bps可编程设置

输出码制二进制

工作电压10...30VDC

空载电流<50mA

从站地址可编程设置 、默认节点ID为20H

计数方向可编程设置,默认从编码器轴端方向看,逆时针旋转累加计数

外部置位可设置 接通延时>100ms

抗 干 扰EN61000-6-2

发射干扰EN61000-6-4

接口电路保护浪涌保护 、反极性保护 、ESD保护

订货信息

订购范例:LGF130XJB20000-0.08138S64T10-30R2 / JSCM50

端子配置

机械图

下 载

文件名称文件类型文件缩略图文件大小下载链接
LGF130X-Modbus-RTU-数据表pdf0.59 M

附 件