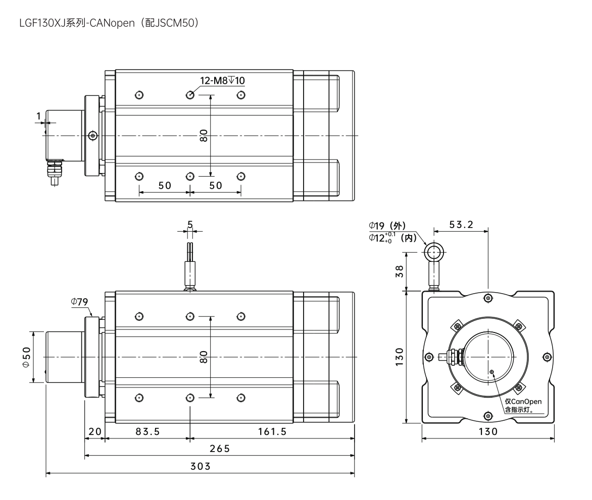
- 外形尺寸 130×130mm
- 测量范围 0…20000mm
- 传感器功能原理 绝对值编码器
- 分辨率 0.08138mm
- 线性精度 ±0.05%FS
- 通讯接口 CANopen
测量范围0...20000mm
集成编码器绝对值编码器JSCM50系列
分辨率0.08138mm
线性精度±0.05%FS
通讯接口CANopen
外形尺寸130*130mm
拉线绳材料高柔性钢丝绳
拉线绳直径Φ0.8mm
拉线盒外壳材料铝合金
出口拉力15±5N
拉线绳每圈长度333.33mm
拉线编码器分辨率拉线绳每圈长度/编码器每圈分辨率
拉线速度1000mm/s(Max)
抗震动10g,10…1500HZ
工作温度-30℃...+70℃
集成编码器绝对值编码器JSCM50系列
拉线盒LGF130X-20000
编码器防护等级JSCM50(IP66)
连接类型电缆长度 2米(可选)
重量≈7.15KG
通讯接口CANopen
传输速率最大1Mbit/s
输出码制二进制
工作电压10...30VDC
空载消耗电流<50mA
从站地址可编程设置,默认节点ID为20H
计数方向可编程设置,默认从编码器轴端方向看,逆时针旋转累加计数
速度值输出可选
抗 干 扰EN61000-6-2
发射干扰EN61000-6-4
接口电路保护浪涌保护 、反极性保护 、ESD保护
订购范例:LGF130XJB20000-0.08138S90T10-30R2 / JSCM50