拉线编码器

LGF130J系列-模拟量

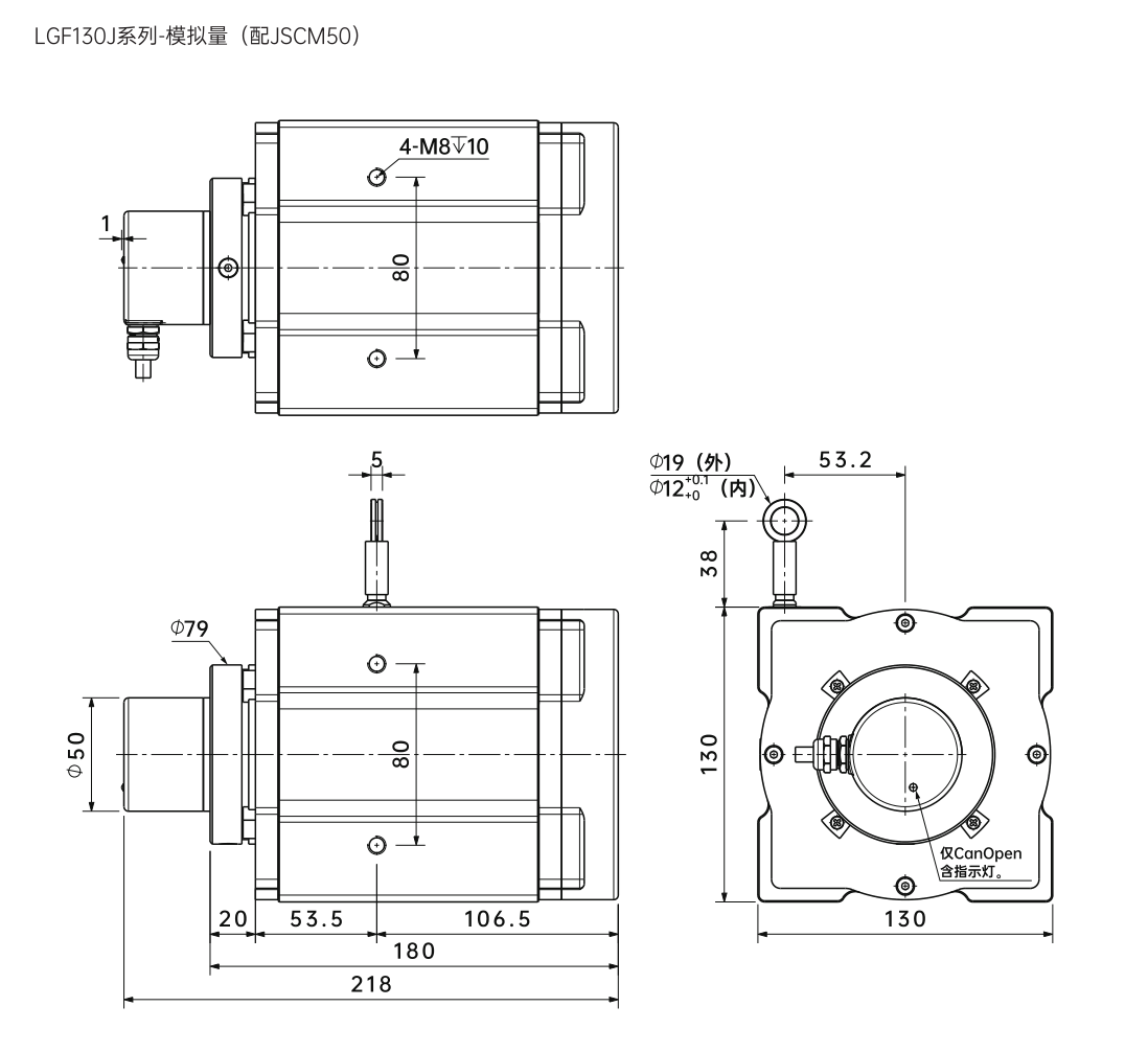
  • 外形尺寸 130×130mm
  • 测量范围 0…10000mm
  • 传感器功能原理 绝对值编码器
  • 分辨率 0.08138mm
  • 线性精度 ±0.05%FS
  • 通讯接口 模拟量4…20mA/ 0…5V/ 0…10V/ RS485(选配)

技术参数

技术数据-基本参数

测量范围0...10000mm

集成编码器绝对值编码器JSCM50系列

分辨率0.08138mm

线性精度±0.05%FS

通讯接口模拟量 4...20mA/ 0...5V/ 0...10V/ RS485(选配)

技术数据-技术参数

外形尺寸130*130mm

拉线绳材料高柔性钢丝绳

拉线绳直径Φ0.8mm

拉线盒外壳材料铝合金

出口拉力15±5N

拉线绳每圈长度333.33mm

拉线编码器分辨率拉线绳每圈长度/编码器每圈分辨率

拉线速度1000mm/s(Max)

抗震动10g,10…1500HZ

工作温度-30℃...+70℃

集成编码器绝对值编码器JSCM50系列

拉线盒LGF130-10000

编码器防护等级JSCM50(IP66)

连接类型电缆长度 2米(可选)

重量≈5KG

技术数据-电气参数

通讯接口模拟量4...20mA/ 0...5V/ 0...10V/ RS485(选配)

波特率19200

输出码制RS485,ASCII码(如有需要,仅为微调使用)

绝对精度±0.8°

地址范围1-99

空载电流≤50mA

重复精度±2LSB

从站地址可编程设置 、默认节点ID为20H

计数方向可编程设置,默认从编码器轴端方向看,逆时针旋转累加计数

外部置位黄色线置位模拟量最小值,灰色线置位模拟量最大值,接通延时≥3s

抗 干 扰EN61000-6-2

发射干扰EN61000-6-4

接口电路保护浪涌保护 、反极性保护 、ESD保护

订货信息

订购范例:LGF130JB10000-0.08138S8T12-30R2 / JSCM50

端子配置

机械图

下 载

文件名称文件类型文件缩略图文件大小下载链接
LGF130-模拟量-数据表pdf0.62 M

附 件