拉线编码器

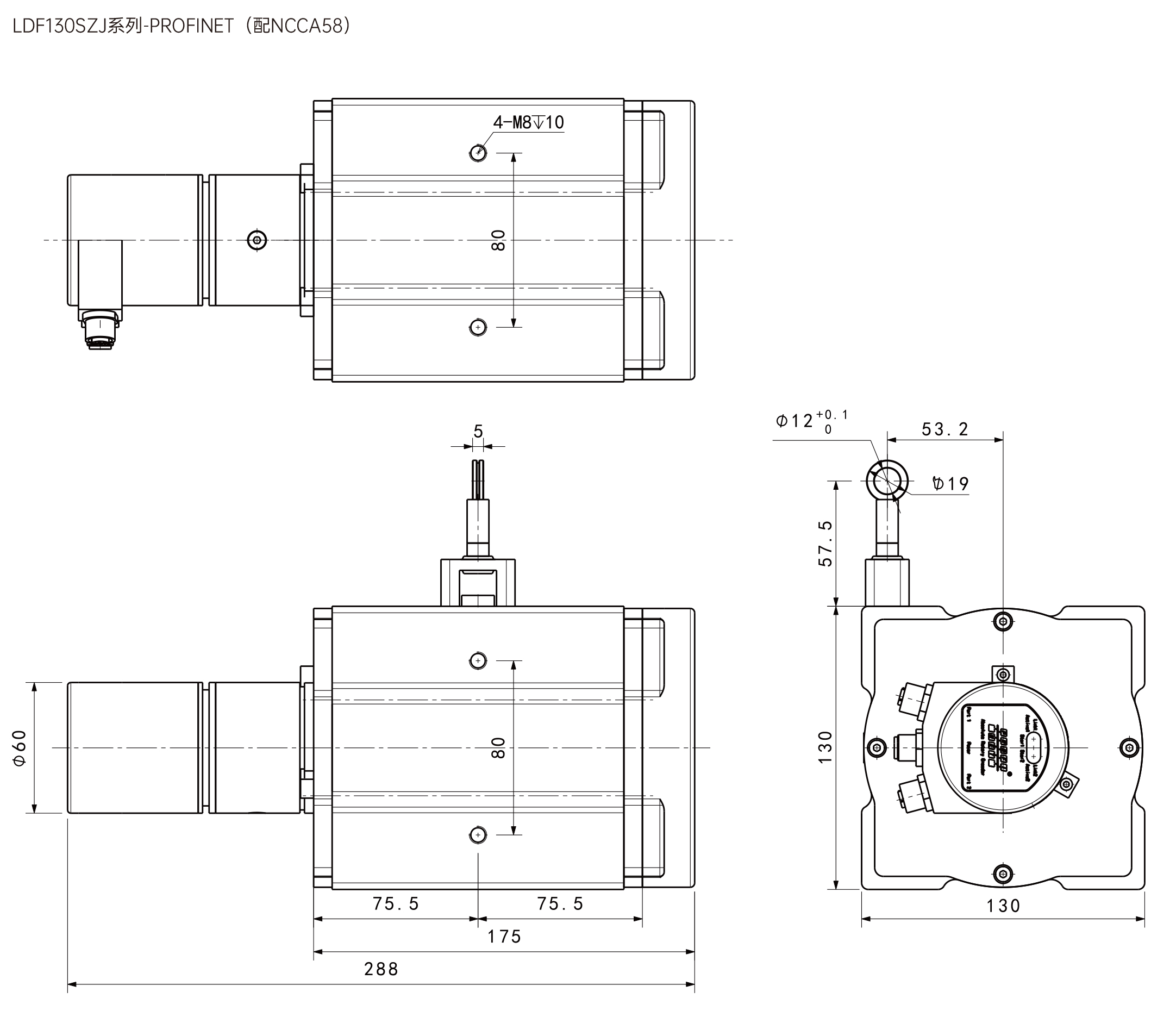
LDF130SZJ系列-PROFINET

  • LDF130SZJ系列
  • 拉线编码器
  • 外形尺寸 130x130mm
  • 测量范围 0~15000mm
  • 传感器功能原理 绝对值编码器
  • 分辨率 0.0813mm
  • 线性精度 ±0.05%FS
  • 通讯接口:PROFINET

技术参数

技术数据-基本参数

测量范围0...15000mm

集成编码器绝对值编码器NCCA58系列

分辨率0.0813mm

线性精度±0.05%FS

通讯接口PROFINET

技术数据-机械参数

外形尺寸 130×130mm

拉线绳材料涂塑钢丝绳

拉线绳直径Φ1.2mm

拉线盒外壳材料铝合金

出口拉力15±5N

拉线绳每圈长度333mm

拉线编码器分辨率拉线绳每圈长度/编码器每圈分辨率

拉线速度1000mm/s(Max)

抗震动10g,10...1500Hz

工作温度-30℃...+70℃

集成编码器绝对值编码器NCCA58系列

拉线盒LDF130SZ-15000

编码器防护等级IP65(标准)/IP67

连接类型电缆长度 2米(可选)

重量≈4.8KG

技术数据-电气参数

工作电压DC10...30V

空载消耗电流<200mA

接口类型PROFINET-RT

传输速率10/100Mbit

输出码制二进制

输出驱动器Ethernet

启动时间<250ms

接口周期时间>1ms

功耗<2W

编程功能预设值设置、预制计数方向、IP 地址

抗 干 扰EN61000-6-2

发射干扰EN61000-6-4

接口电路保护浪涌保护、反极性保护 、ESD保护

订货信息

订购范例: LDF130SZJB15000-0.0813S1110-30PRM/NCCA58

端子配置

机械图

下 载

文件名称文件类型文件缩略图文件大小下载链接
LDF130SZ-PROFINET-数据表pdf2.62 M
TÜV CE认证-AE 50594504 0001pdf1.17 M

附 件