拉线编码器

LCF55J系列-CANopen

  • 拉线编码器
  • 外形尺寸 55×55mm
  • 测量范围 0…1250mm
  • 传感器功能原理 绝对值编码器
  • 分辨率 0.0366mm
  • 线性精度 ±0.05%FS
  • 通讯接口 CANopen

技术参数

技术数据-基本参数

测量行程0...1250mm

集成编码器绝对值编码器JDCM3602、JCCM38系列

分辨率 0.0366mm

线性精度±0.05%FS

通讯接口CANopen

技术数据-机械参数

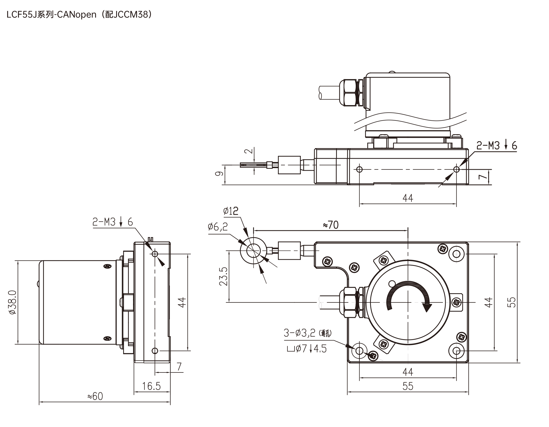
外形尺寸55×55mm

拉线绳材料涂塑钢丝绳

拉线绳直径Φ0.55mm

拉线盒外壳材料铝合金

出口拉力1.4N

拉线绳每圈长度150mm

拉线编码器分辨率拉线绳每圈长度/编码器每圈分辨率

拉线速度≤1000mm/s

抗震动10g,10~2000Hz

工作温度-30℃...+70℃

集成编码器绝对值编码器JDCM3602、JCCM38系列

拉线盒LCF55-1250

编码器防护等级IP67(拉线盒IP50)

连接类型电缆线(长度可选)

重量≈250g(不包含电缆线)

技术数据-电气参数

通讯接口CANopen

工作电压DC10...30V

空载电流<50mA

传输速率最大1Mbit/s

输出码制二进制

从站地址可编程设置

计数方向可编程设置

速度值输出可选

抗 干 扰EN61000-6-2

发射干扰EN61000-6-4

接口电路保护浪涌保护 、反极性保护 、ESD 保护

订货信息

订购范例:LCF55JB1250-0.0366S90T10-30R2/JDCM3602

端子配置

机械图

下 载

文件名称文件类型文件缩略图文件大小下载链接
LCF55-CANopen-数据表pdf0.48 M
LCF55+JCCM38(3D)step13.37 M
LCF55+JDCM3602(3D)step12.26 M
TÜV CE认证-AE 50684573 0001pdf1.62 M

附 件