拉线编码器

LCF190J系列-增量式

  • LCF190J系列
  • 拉线编码器
  • 外形尺寸 190x190mm
  • 测量范围 0~10000mm
  • 传感器功能原理 增量式编码器
  • 分辨率 0.1355mm
  • 线性精度 ±0.05%FS
  • 通讯接口 推挽输出、推挽差分输出、集电极开路输出 、RS422(TTL兼容)

技术参数

技术数据-基本参数

测量行程0~10000mm

集成编码器增量式编码器ESG3802、ESG50、ESK50系列

分辨率≥0.222mm

线性精度±0.05%FS

通讯接口推挽输出、推挽差分输出、集电极开路输出 、RS422(TTL兼容)

技术数据-机械参数

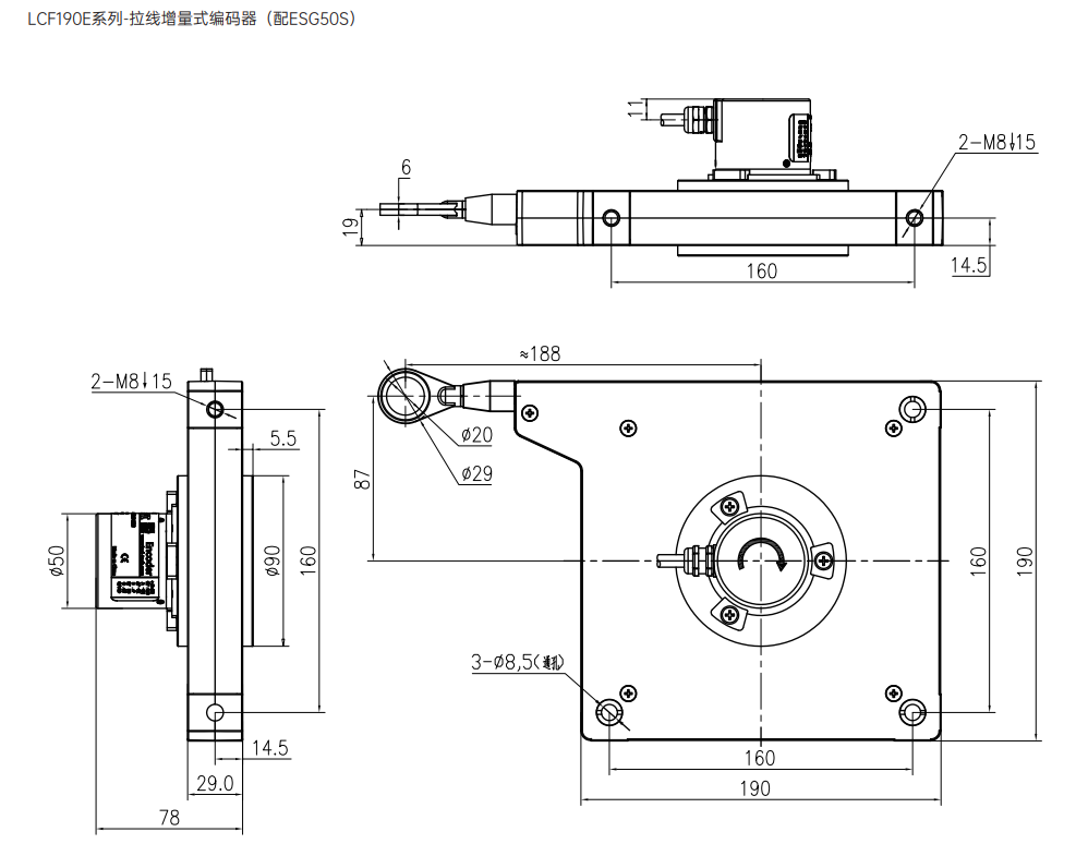
外形尺寸190x190mm

拉线绳材料涂塑钢丝绳

拉线绳直径Φ0.6mm

拉线盒外壳材料高强度工程塑料

出口拉力≈9N

拉线绳每圈长度555mm

拉线编码器分辨率拉线绳每圈长度/编码器每圈分辨率

拉线速度≤1000mm/s

抗震动10g,10~2000Hz

工作温度-20...+70℃(ESG3802、ESG50)/ -30...+70℃(ESK50)

集成编码器增量式编码器ESG3802、ESG50、ESK50系列

拉线盒LCF190-10000

编码器防护等级IP54(拉线盒IP50)

连接类型电缆线(长度可选)

重量≈1800g

技术数据-电气参数

通讯接口推挽输出、推挽差分输出、集电极开路输出 、RS422(TTL兼容)

工作电压5-30VDC、9-26VDC、5VDC±5%

消耗电流≤125mA

最大负载电流±80mA

发射干扰

反极性保护

订货信息

订购范例:LCF190EB10000-0.222F5-30R2/A/ESG3802

端子配置

机械图

下载

文件名称文件类型文件缩略图文件大小下载链接
LCF190-增量式-数据表pdf4.20 M
TÜV CE认证-AE 50594504 0001pdf1.17 M

附件