转速传感器

HS10系列

  • 感应原理 霍尔感应
  • 功能原理 铁磁性齿轮的非接触检测
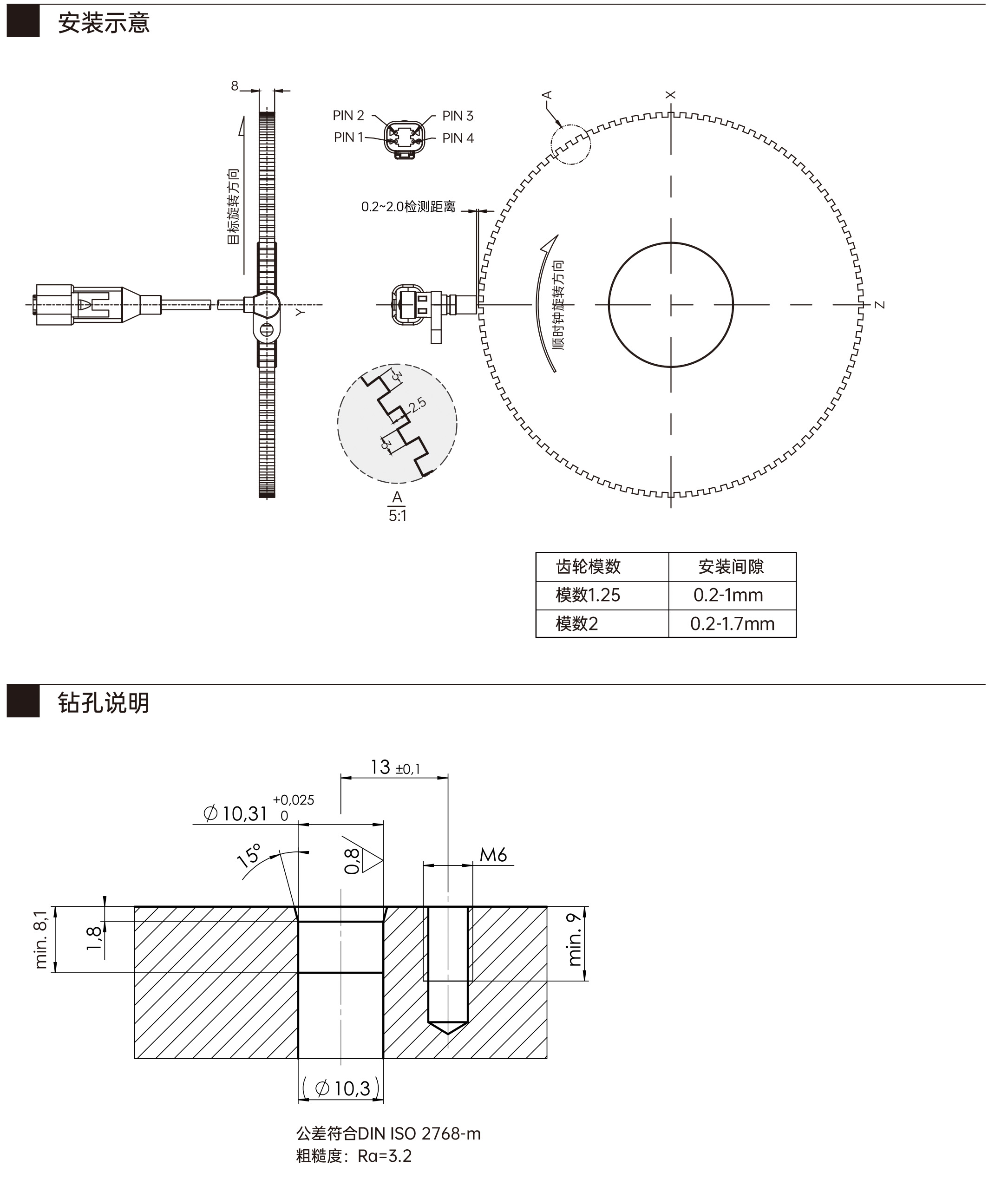
  • 探头尺寸 Φ10.25 /L=18.4mm
  • 感应距离 0.2…1.7mm
  • 频率范围 0…20KHz
  • 工作电压 5…26VDC
  • 输出信号 A、B
  • 输出电路 推挽式
  • 连接方式 电缆线、电缆线加插头
  • 测量面抗压能力 500bar
  • 工作温度 -40…+125℃
  • 防护等级 IP67/IP69K

技术参数

技术数据-机械参数

探头尺寸Φ10.25/L=18.4

外壳材料不锈钢 AISI 304

连接方式电缆线、电缆线加DEUTSCH插头、电缆线加AMP插头

测量面抗压能力500bar

重量≈90g

技术数据-电气参数

感应距离0.2~1.7mm

开关频率0...20kHz

工作电压范围5~26VDC

无负载时消耗电流15mA Max.

输出信号A、B

输出电路推挽式

分度齿轮齿数=脉冲/转

最大负载电流<40mA

压降 Vd<2VDC

反向极性保护

绝缘强度500VDC

技术数据-环境条件

工作温度-40...+125℃

外壳的抗腐蚀性海水和各种液压油

电线最大拉伸负荷75N

防护等级 (EN60259)IP67,IP69K

抗振性(EN60068-2-27)正弦波:5...57Hz(2mm p-p) / 57...2000Hz(10g)

抗冲击性(EN60068-2-27)3X:50g,11ms,每个方向3次(正反)
3X:40g,6ms,每个方向1000次(正反)

跌落测试 (EN60068-2-27)1m

抗温度冲击性25次:30min@+125℃(空气中);30min@+23℃(水中)

温度循环100次:-40℃~+125℃@转变时间<10s

MTTF(electronic)120.000h

订货信息

订货型号:HS1018FOR0.33DT04

端子配置

机械图

下 载

文件名称文件类型文件缩略图文件大小下载链接
HS10-数据表pdf0.65 M
HS1018+DT04(3D)0.00 M

附 件