- 转速传感器
- 感应原理 霍尔感应
- 功能原理 铁磁性齿轮的非接触检测
- 探头尺寸 Φ15/L=30、Φ15/L=35、Φ15/L=45mm
- 感应距离 Sn:0.2-1.7mm
- 频率范围 0-20KHz
- 工作电压 7…32VDC
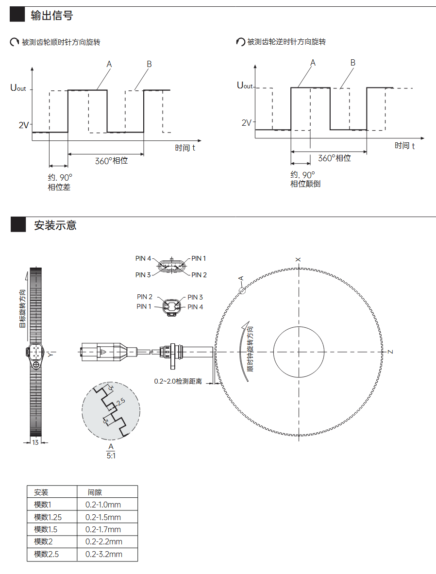
- 输出信号 A、B
- 输出电路 NPN、PNP
- 连接方式 电缆线、电缆线加DEUTSCH插头、电缆线加AMP插头
- 测量面抗压能力 15bar
- 工作温度 -40…+140℃
- 防护等级 IP67/IP69K
感应距离Φ15/L=30、Φ15/L=35、Φ15/L=45mm
外壳材料黄铜/塑料
连接方式电缆线、电缆线加DEUTSCH插头、电缆线加AMP插头
重量≈90g
感应距离0.2-1.7mm
开关频率0-20KHz
工作电压范围7-32VDC(Max.55V/1min)
无负载时消耗电流<30mA@30VDC
输出信号A、B
输出电路NPN、PNP输出,相位差90°±20°
分度齿轮齿数=脉冲/转
最大负载电流50mA
压降 Vd≤1.5VDC@40mA
电源反向保护是
输出短路保护是
绝缘强度1000VDC
工作温度-40...+140℃
电缆最大拉伸负荷100N
外壳的抗腐蚀性(EN60028-2-11)96h(海水、各种液压轴、柴油、清洁剂及盐雾测试)
96h(海水、各种液压轴、柴油、清洁剂及盐雾测试)15bar
防护等级 (EN60259)IP67,IP69K
抗振性(EN60068-2-6)30g@f=10Hz...500Hz,每个方向100min
抗冲击性(EN60068-2-29)50g@11ms,每个方向3次
抗冲击性(EN60068-2-27)100g@6ms,每个方向3次
噪声干扰(EN60068-2-64)ASD=385.95(m/s²)²/Hz@f=10Hz...500Hz,每个方向5个小时
抗温度冲击性20次:在空气中25min@+140℃;在水中10min@+20℃
MTTF(electronic)45年(390,000h)@+100℃