转速传感器

H1545系列

  • 转速传感器
  • 感应原理 霍尔感应
  • 功能原理 铁磁性齿轮的非接触检测
  • 探头尺寸 Φ15/L=15mm、Φ15/L=35mm、Φ15/L=45mm
  • 感应距离 Sn: 0.3~2mm
  • 频率范围 0~20KHz
  • 工作电压 4.5…30VDC
  • 输出信号通道 AB
  • 输出电路 NPN
  • 连接 电缆线、电缆线加插头
  • 工作温度 -40℃…+140℃
  • 防护等级 IP67

技术参数

技术数据-机械参数

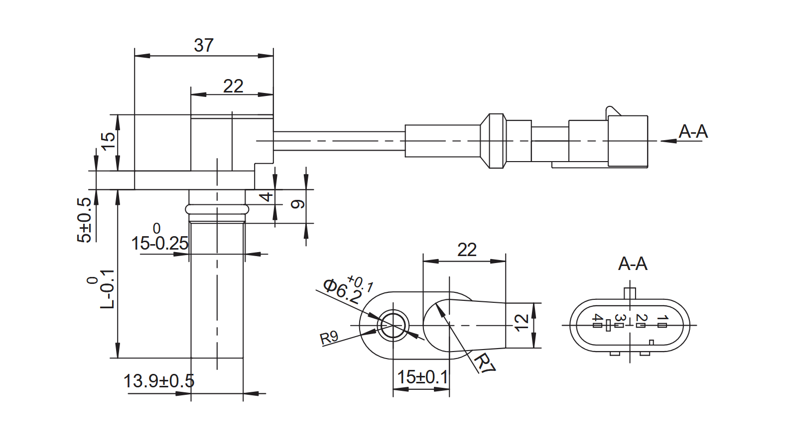
探头尺寸Φ15/L=15mm

外壳材料工程塑料

连接电缆线、电缆线加AMP4外插头

重量≈65g

工作温度-40℃…+140℃

防护等级IP67

技术数据-电气参数

感应距离0.3~2mm

开关频率0~20KHz

工作电压范围4.5…30VDC

无负载时消耗电流<20mA

输出信号A、B

输出电路NPN NO

输出过流保护(Y/N)

输出电流>25mA

压降≤2VDC

反向极性保护

绝缘强度1000VDC

订货信息

订货型号:H1545NOR0.52/AMP4

端子配置

机械图

下 载

文件名称文件类型文件缩略图文件大小下载链接
数 据 表-H1545【CN】pdf0.53 M

附 件