绝对值编码器

FDCE5803S系列-CANopen+增量信号

  • 绝对值编码器
  • 感应原理 磁性
  • 功能原理 多圈
  • 外径 Φ60mm
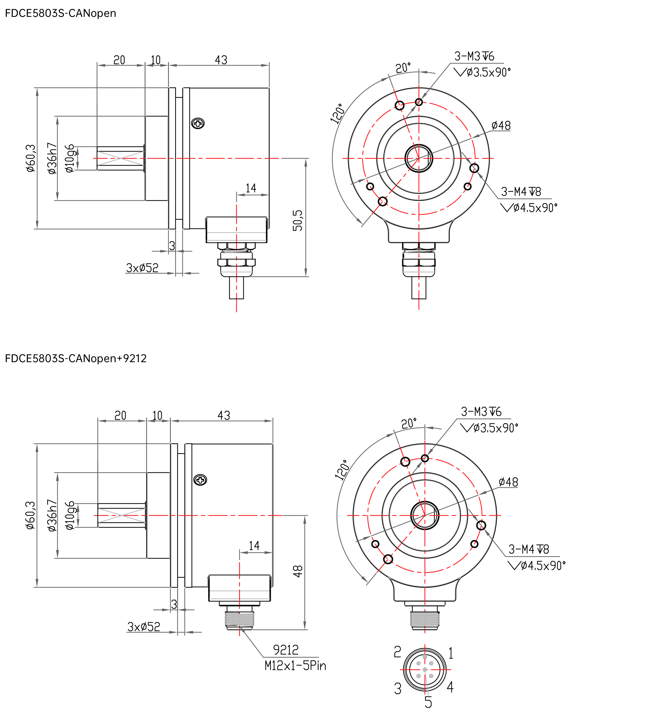
  • 轴径 实心轴 Φ10mm
  • 分辨率 32bit
  • 每圈步数 16384/14bit
  • 圈数 262144/18bit
  • 接口 CANopen、CANopen+增量信号
  • 增量信号分辨率 512PPR、1024PPR、2048PPR、4096PPR
  • 增量信号 A+A- B+B-
  • 工作电压 10-30VDC
  • 防护等级 IP67
  • 连接 插头,M12, 5针, A编码;插头,M12, 8针, A编码;直接出线

技术参数

技术数据 –机械参数

轴径(mm)实心轴Φ10mm

主体材料铝合金

壳体材料铝合金

轴向负载≤250N

径向负载≤250N

旋转速度最大 6000RPM

抗冲击性100g,6ms

抗震动性10g,10...2000Hz

防护等级IP67

工作温度-40℃...+85℃

存储温度-40℃...+85℃

重 量≈350g

连接插头,M12,5针,A编码
插头,M12,8针,A编码
直接出线

技术数据 –电气参数

接口类型CANopen、CANopen+增量信号

传输速率最大1Mbit/s

绝对精度±0.2°

工作电压10...30VDC

输出码制二进制

无负载时消耗电流<50mA

波特率可编程设置、默认125kbit/s

从站地址可编程设置 、默认节点ID为20H

计数方向可编程设置,默认从编码器轴端方向看,顺时针旋转累加计数

符合标准DSP-406

增量信号分辨率512PPR、1024PPR、2048PPR、4096PPR (其他值可定制)

增量信号A+A- B+B-

增量输出方式推挽式差分(HTL)、RS422(TTL)

抗 干 扰EN61000-6-2

发射干扰EN 61000-6-4

接口电路保护浪涌保护 、反极性保护 、ESD 保护

订货信息

订购范例:FDCE5803S10B1814P1S90T10-30R1

端子配置

机械图

下载

文件名称文件类型文件缩略图文件大小下载链接
FDCE5803S-CANopen+增量信号-数据表pdf0.59 M
TÜV CE认证-AE 50594504 0001pdf1.17 M

附件