增量式重载编码器+超速开关组合

EHK100H+MS系列

  • 感应原理 光电+机械离心式
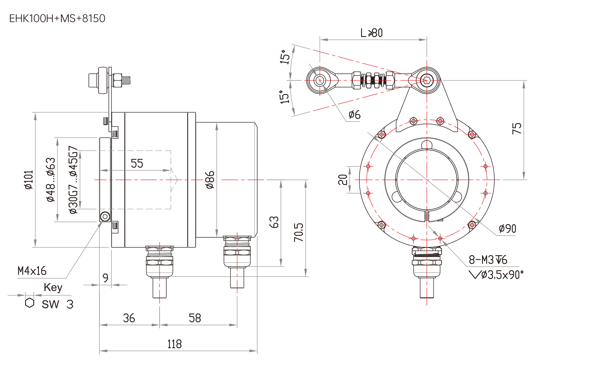
  • 外径 Φ100mm
  • 空心轴 Φ30…Φ45mm
  • 最大脉冲 3000PPR
  • 开关速度 720~3600rpm
  • 工作电压 5-30V
  • 防护等级 IP66

技术参数

技术数据-机械参数

轴径空心轴 Φ30…Φ45mm

防护等级 IP66

每分钟最大转速6000RPM

最大轴负荷 100N 轴向,300N径向

冲击100g,6ms

振动10g,10…2000HZ

转动惯量 ≈500 gcm²

启动力矩 <0.1Nm

主体材料 铝合金

主轴材料 不锈钢

外壳材料铝合金

工作温度 -40℃…+85℃

贮存温度 -40℃…+85℃

重 量≈1.75kg(2米电缆)

技术数据-电气参数

输出电路推挽输出
推挽差分输出
RS422(TTL 兼容)

分度最大 3000 脉冲/转

电源5-30V

无负载时消耗电流最大 125 mA
最大 80 mA

最大负载电流±80 mA
±50 mA

最高输出频率100KHz

信号高电平最小 Ub-2.5V
最小 2.5V

信号低电平最大 0.8V
最大 0.4V

上升时间 Tr 最大 1μs

下降时间 Tf 最大 1μs

短接保护

机械离心开关-参数表

开关速度800…3000RPM

最大转速1.25ns

开关精度±4%

开关加速速度≤±20%

正、反转开关误差≈3%

速度滞后≈40%

开关容量≤6A/230VAC
≤1A/125VDC

防护等级IP66

订货信息

订购范例:EHK100H45E1024A5-30R2+MS1250

端子配置

机械图

下载

文件名称文件类型文件缩略图文件大小下载链接
EHK100H+MS系列重载编码器+超速开关组合pdf6.10 M

附件