绝对值编码器

ECDCA58B系列-EtherCAT

  • 感应原理 磁性
  • 功能原理 多圈
  • 多圈技术 机械齿轮组无电池
  • 外径 Ø60mm
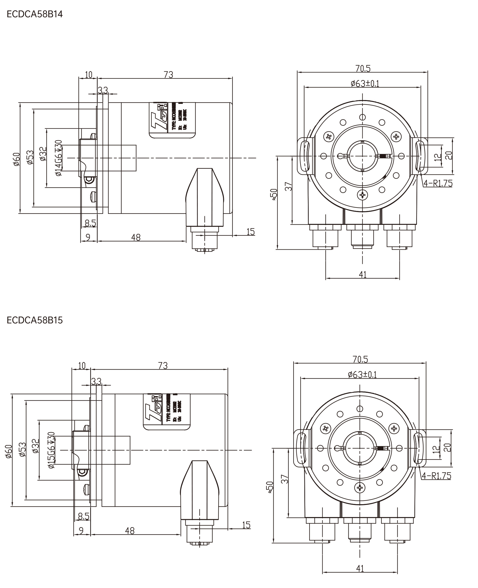
  • 轴径 盲孔轴 Ø10、Ø12、Ø14、Ø15mm
  • 分辨率 30Bit
  • 每圈步数 65536/16Bit
  • 圈数 16384/14Bit
  • 接口 EtherCAT
  • 工作电压 10-30VDC
  • 防护等级 IP65
  • 连接 以太网:插座,M12,4针,D编码;电源:插头,M12,4针,A编码

技术参数

技术数据 –机械参数

盲孔轴 Ø10、Ø12、Ø14、Ø15mm

主体材料铝合金

壳体材料铝合金

轴向负载≤40N

径向负载≤80N

旋转速度最大6000RPM

抗冲击性100g,6ms

抗振动性10g,10...2000Hz

防护等级IP65

工作温度-40℃...+85℃

存储温度-40℃...+85℃

出线方式以太网:插座,M12,4针,D编码
电源:插头,M12,4针,A编码

技术数据 –电气参数

通讯接口EtherCAT

设备通讯RT

工作电压DC10...30V

消耗电流<200mA

传输速率10/100Mbit

输出码制二进制

单圈分辨率最大16位/ 65536

多圈分辨率最大14位/ 16384

输出驱动器Ethernet

启动时间<250ms

接口周期时间>1ms

功耗<2W

编程功能预设值设置、预制计数方向、IP 地址

抗 干 扰EN61000-6-2

发射干扰EN61000-6-4

接口电路保护浪涌保护 、反极性保护 、ESD 保护

订货信息

订购范例:ECDCA58B121213PRM

端子配置

机械图

下 载

文件名称文件类型文件缩略图文件大小下载链接
数 据 表-ECDCA58B-EtherCAT【CN】pdf0.50 M
3D - ECDCA58B10step17.22 M
TÜV CE 认证-AE 50684573 0001pdf1.62 M

附 件