防爆增量式编码器

BDEEX58HB系列
Ex ib IIC T4 Gb
Ex tb IIIC T80℃ Db
Ex ib IIIC T130℃ Db

  • BDEEX58HB系列
  • 防爆编码器
  • 设备类型 Ⅱ类(气体)、Ⅲ类(粉尘)
  • 防爆形式 本安型
  • 防爆标志: Ex ib IIC T4 Gb,Ex tb IIIC T80℃ Db,Ex ib IIIC T130℃ Db
  • 适用危险区域 1区/21区
  • 感应原理 光电
  • 功能原理 防爆增量式编码器
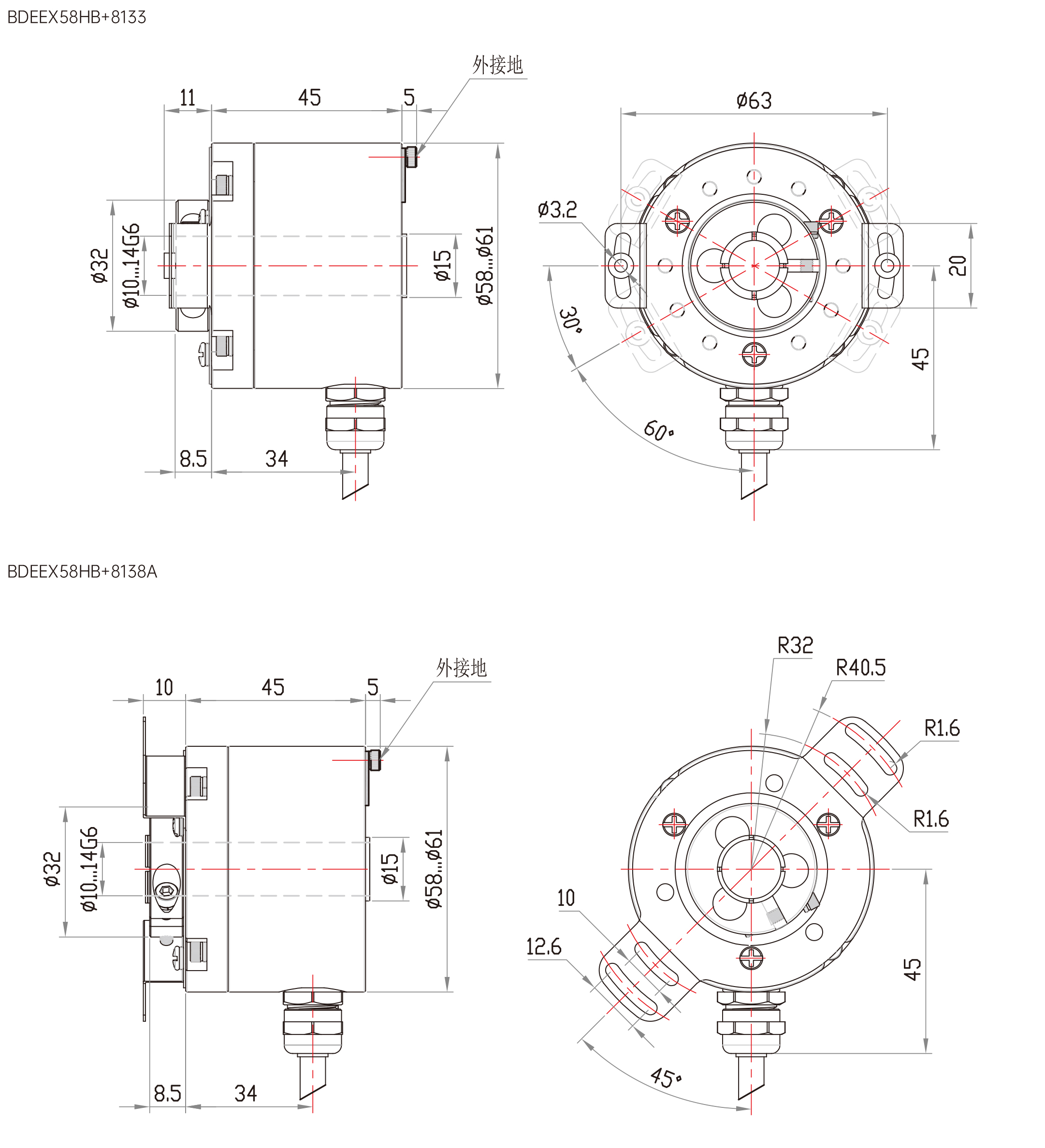
  • 外径 Φ58mm
  • 空心轴轴径 Φ10、Φ12、Φ14mm
  • 最大脉冲 1024PPR
  • 工作电压8-18VDC、24VDC
  • 防护等级IP66

技术参数

技术数据-机械参数

出轴方式空心轴 Φ10、Φ12、Φ14mm

防护等级IP66

每分钟最大转速6000RPM

最大轴负荷≤40N轴向, ≤80N径向

冲击100g,6ms

振动10g,10...2000HZ

启动力矩<0.015 Nm

主轴材料不锈钢

主体材料铝合金阳极氧化

外壳材料铝合金阳极氧化

工作温度-40℃…+80℃

贮存温度-40℃…+80℃

重量≈300g(2m电缆)

技术数据-电气参数

输出电路 推挽输出、推挽差分输出

分度最大1024脉冲/转

电源8-18VDC、24VDC

无负载时消耗电流最大80 mA

负载电流最大40 mA

最高输出频率100KHz

信号高电平 最小Ub-2.5V

信号低电平 最大0.8V

上升时间Tr最大1μs

下降时间Tf 最大1μs

短接保护

订货信息

订购范例:BDEEX58HB12512B

端子配置

机械图

下载

文件名称文件类型文件缩略图文件大小下载链接
BDEEX58HB系列防爆增量式编码器pdf3.82 M
BDEEX系列-China NEPSI 防爆合格证pdf1.03 M
BDEEX系列-CCC Ex认证pdf4.24 M
TÜV CE认证-AE 50684565 0001pdf1.62 M

附件